Giới Thiệu Vitme Mini HIWIN
Khái Niệm
Vitme mini HIWIN là dạng trục vít me có đường kính nhỏ (phổ biến nhất là T8, T10, T12) được thiết kế để chuyển đổi chuyển động quay thành chuyển động tịnh tiến với độ chính xác cao, kích thước gọn nhẹ và khả năng làm việc ổn định trong không gian hạn chế.
Nhờ cấu trúc nhỏ gọn, trục vitme mini đặc biệt phù hợp với các hệ thống yêu cầu chuyển động tinh như máy in 3D, robot mini, thiết bị y tế và các cơ cấu tự động hóa kích thước nhỏ. Dù có kích thước khiêm tốn, trục vít me mini HIWIN vẫn đảm bảo được khả năng truyền lực ổn định và độ chính xác lặp lại cao, đáp ứng tốt các yêu cầu kỹ thuật khắt khe trong công nghiệp hiện đại.
Đặc Điểm Vít Me Mini
Không chỉ đơn thuần là kích thước nhỏ, vitme mini HIWIN được tối ưu toàn diện về:
- Khối lượng
- Mô-men quán tính
- Độ ồn
- Độ mượt chuyển động
Nhờ giảm đáng kể khối lượng và mô-men quán tính, vitme mini giúp động cơ hoạt động nhẹ hơn, tiết kiệm năng lượng và phản hồi nhanh hơn. Đồng thời, cấu trúc ren được gia công chính xác giúp chuyển động diễn ra êm ái, hạn chế rung lắc và tiếng ồn.
Điều này giúp chúng lý tưởng cho các hệ thống yêu cầu chuyển động tinh và chính xác, đặc biệt trong môi trường làm việc cần độ ổn định cao và hạn chế sai số tích lũy theo thời gian.
HIWIN – Tiêu Chuẩn Toàn Cầu Cho Truyền Động Chính Xác
Triết Lý Thiết Kế Của HIWIN
HIWIN không chỉ sản xuất linh kiện, mà còn cung cấp giải pháp chuyển động hoàn chỉnh. Với vitme mini, triết lý của họ vẫn nhất quán:
- Chính xác cao ngay cả ở kích thước nhỏ
- Độ bền dài hạn
- Hoạt động ổn định và dễ dự đoán
Mỗi trục vitme mini HIWIN đều được thiết kế dựa trên sự cân bằng giữa độ chính xác cơ khí và độ tin cậy trong vận hành. Các thông số kỹ thuật được kiểm soát chặt chẽ nhằm đảm bảo sản phẩm có thể làm việc liên tục trong thời gian dài mà không làm suy giảm chất lượng chuyển động.
Lý Do HIWIN Chú Trọng Phân Khúc Vitme Mini
Bởi vì HIWIN hiểu rằng: khi hệ thống nhỏ đi, sai số càng không được phép tồn tại.
Trong các thiết bị mini, chỉ một sai lệch nhỏ cũng có thể ảnh hưởng lớn đến chất lượng sản phẩm hoặc độ an toàn vận hành. Do đó, HIWIN đầu tư mạnh vào công nghệ gia công chính xác và kiểm soát chất lượng cho phân khúc trục vít me mini, nhằm đáp ứng nhu cầu ngày càng cao của các ngành công nghệ cao như robot, y sinh học và điện tử chính xác.
Phân Loại Vitme T8, T10, T12 HIWIN
Vitme T8 HIWIN
- Đường kính danh nghĩa: 8 mm
- Phù hợp tải nhẹ
- Chuyển động mượt, tốc độ cao
- Ứng dụng phổ biến trong DIY CNC, máy in 3D cao cấp
Vít me T8 HIWIN được ưa chuộng nhờ kích thước nhỏ gọn, dễ lắp đặt và khả năng vận hành ổn định. Đây là lựa chọn phổ biến cho các hệ thống chuyển động trục Z hoặc trục XY trong máy in 3D, nơi yêu cầu cao về độ chính xác nhưng tải trọng không quá lớn.
Vitme T10 HIWIN
- Cân bằng giữa tải và kích thước
- Độ cứng tốt hơn T8
- Ứng dụng trong máy tự động hóa nhỏ và robot mini
Vitme T10 đóng vai trò trung gian giữa T8 và T12, vừa đảm bảo được độ cứng cần thiết, vừa không làm tăng kích thước hệ thống. Nhờ đó, T10 thường được sử dụng trong các cơ cấu truyền động nhỏ gọn nhưng cần độ ổn định cao hơn so với T8.
Vitme T12 HIWIN
- Đường kính lớn nhất trong nhóm mini
- Chịu tải cao hơn
- Phù hợp cho thiết bị bán công nghiệp và máy chính xác
Vít
me T12 HIWIN thích hợp cho các ứng dụng yêu cầu lực đẩy lớn hơn nhưng vẫn cần giữ kích thước nhỏ. Sản phẩm này thường xuất hiện trong các máy bán công nghiệp, thiết bị đo lường chính xác và hệ thống tự động hóa có không gian lắp đặt hạn chế.
xem thêm: Ball Screw HIWIN E2
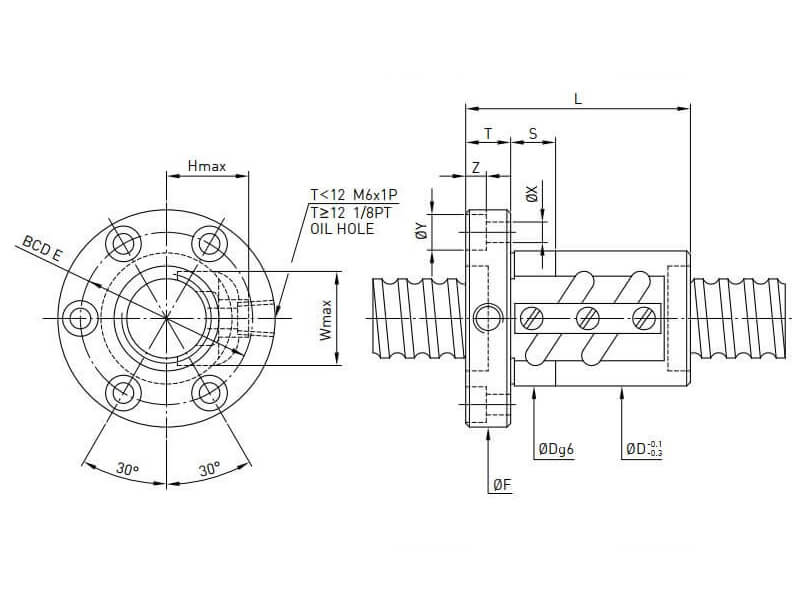
Cấu Tạo Chi Tiết Của Trục Vitme Mini T8 HIWIN

Trục Vitme T8
- Thép hợp kim chất lượng cao
- Gia công chính xác bằng công nghệ tiên tiến
- Bề mặt tôi cứng chống mài mòn
Phần trục vitme mini được xử lý nhiệt nhằm tăng độ cứng bề mặt, giúp hạn chế mài mòn trong quá trình làm việc lâu dài. Nhờ đó, độ chính xác hình học của ren được duy trì ổn định, giảm nguy cơ sai số sau thời gian sử dụng.
Đai Ốc Vít Me T8
- Thiết kế tối ưu cho kích thước nhỏ
- Độ rơ thấp
- Dễ tích hợp vào các cụm chuyển động
Đai ốc vitme mini được thiết kế gọn nhẹ nhưng vẫn đảm bảo khả năng ăn khớp chính xác với trục vít. Điều này giúp chuyển động tuyến tính mượt hơn, giảm hiện tượng giật cục và nâng cao độ ổn định của hệ thống.
Rãnh Vít Và Bước Ren
Bước ren được thiết kế phù hợp để:
- Đảm bảo độ mượt
- Giảm rung
- Tối ưu tốc độ và lực đẩy
Việc lựa chọn bước ren phù hợp giúp cân bằng giữa tốc độ di chuyển và lực truyền, đồng thời hạn chế rung động trong quá trình vận hành.
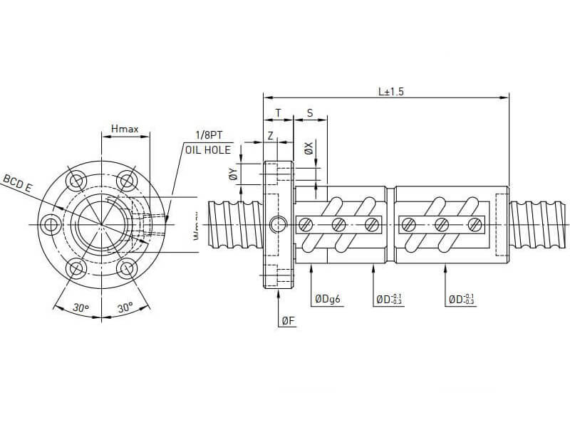
Nguyên Lý Vận Hành Của Trục Vit Me Mini T10 HIWIN

Hoạt Động Mượt Mà
Khi trục vitme t8 quay, đai ốc sẽ di chuyển dọc theo trục, tạo ra chuyển động tịnh tiến chính xác.
Hãy tưởng tượng việc vặn nắp chai – nhưng thay vì nắp quay, nó trượt thẳng theo trục một cách hoàn hảo. Cơ chế này giúp chuyển đổi chuyển động quay của động cơ thành chuyển động thẳng với độ chính xác cao.
Ưu Điểm Ma Sát Thấp
Vitme t8 HIWIN được tối ưu để giảm ma sát, giúp:
- Giảm hao mòn
- Tăng tuổi thọ
- Giảm tải cho động cơ
Nhờ ma sát thấp, hệ thống hoạt động êm hơn và tiêu tốn ít năng lượng hơn so với các cơ cấu truyền động thông thường.
Ưu Điểm Vượt Trội Của Vít Me Mini T 12 HIWIN

Kích Thước Nhỏ – Hiệu Suất Lớn
Vitme mini dễ dàng tích hợp vào không gian hẹp mà vẫn đảm bảo lực đẩy cần thiết. Đây là yếu tố quan trọng đối với các thiết bị yêu cầu thiết kế gọn nhẹ.
Độ Chính Xác Cao
Sai số thấp, khả năng lặp lại tốt – yếu tố sống còn với các hệ thống mini. Điều này giúp đảm bảo vị trí chuyển động luôn đúng với thiết kế ban đầu.
Vận Hành Mượt Mà
Độ ồn thấp, phù hợp cho thiết bị phòng thí nghiệm và y tế, nơi yêu cầu môi trường làm việc yên tĩnh và ổn định.
Độ Bền Cao
Vật liệu cao cấp và xử lý bề mặt giúp vitme hoạt động bền bỉ theo thời gian, hạn chế chi phí bảo trì và thay thế.
So Sánh Vitme Mini Với Vitme Tiêu Chuẩn
Về Kích Thước
Trục vít me mini chiếm ít không gian hơn đáng kể, cho phép thiết kế hệ thống gọn gàng và linh hoạt hơn.
Về Tải Trọng
Vitme tiêu chuẩn chịu tải lớn hơn, nhưng vitme mini đủ đáp ứng các ứng dụng nhẹ và trung bình, đặc biệt trong thiết bị nhỏ.
Về Ứng Dụng
Vitme mini linh hoạt hơn trong các hệ thống nhỏ và di động, trong khi vitme tiêu chuẩn phù hợp với máy công nghiệp lớn.
Ứng Dụng Đai Ốc Vít Me t8 HIWIN
Máy CNC Mini Và DIY CNC
Trục vitme mini mang lại chuyển động chính xác với chi phí hợp lý, phù hợp cho các dự án DIY và máy CNC kích thước nhỏ.
Robot Mini & Robot Giáo Dục
Đảm bảo chuyển động mượt, an toàn và bền bỉ, hỗ trợ tốt cho các ứng dụng nghiên cứu và đào tạo.
Máy In 3D Cao Cấp
Vitme giúp nâng cao độ chính xác trục Z và trục XY, cải thiện chất lượng in và độ ổn định của sản phẩm.
Thiết Bị Y Tế & Phòng Thí Nghiệm
Chuyển động êm, ổn định và sạch, phù hợp với các môi trường yêu cầu độ chính xác cao.
Thiết Bị Điện Tử Chính Xác
Hỗ trợ lắp ráp linh kiện nhỏ với độ chính xác cao, đáp ứng yêu cầu kỹ thuật nghiêm ngặt.
Thông Số Kỹ Thuật Chính Của Trục Vít Me Mini
Đường Kính Trục (T8, T10, T12)
Quyết định khả năng chịu tải và độ cứng của trục vitme, ảnh hưởng trực tiếp đến độ ổn định chuyển động.
Bước Ren
Ảnh hưởng trực tiếp đến tốc độ và lực đẩy. Bước ren nhỏ giúp tăng độ chính xác, trong khi bước ren lớn giúp tăng tốc độ di chuyển.
Hành Trình Làm Việc
Cần phù hợp với thiết kế tổng thể của hệ thống, đảm bảo đủ không gian cho chuyển động và tránh va chạm cơ khí.
Tầm Quan Trọng Của Vitme Mini Trong Các Hệ Thống Chuyển Động Hiện Đại
Trong xu hướng mini hóa thiết bị và tự động hóa thông minh, vitme mini ngày càng giữ vai trò quan trọng. Các dòng như vít me T8, vít me T10 và vít me T12 giúp hệ thống đạt được chuyển động chính xác cao ngay cả khi không gian lắp đặt bị giới hạn.
So với các cơ cấu truyền động truyền thống, trục vitme mini mang lại độ ổn định tốt hơn, khả năng kiểm soát vị trí chính xác và giảm đáng kể rung động trong quá trình vận hành.
Tầm Quan Trọng Của Trục Vít Me Mini Trong Hệ Truyền Động Chính Xác
Trong các hệ thống cơ khí hiện đại, trục vitme mini giữ vai trò trung tâm trong việc chuyển đổi chuyển động quay thành chuyển động tịnh tiến có kiểm soát. Nhờ kích thước nhỏ gọn, trục vít me mini đặc biệt phù hợp với các thiết bị yêu cầu độ chính xác cao nhưng không gian lắp đặt hạn chế.
So với các cơ cấu truyền động truyền thống, vít me mini giúp giảm sai số tích lũy, đồng thời duy trì độ lặp lại ổn định trong suốt quá trình vận hành. Điều này khiến trục vitme trở thành lựa chọn phổ biến cho máy in 3D, robot mini và các hệ thống tự động hóa nhỏ.
Đặc Tính Cơ Học Của Trục Vitme T8 ( Vitme 8mm )
Trục vitme T8 (hay còn gọi là vitme 8mm hoặc trục vít me 8mm) được thiết kế cho các ứng dụng tải nhẹ nhưng yêu cầu tốc độ và độ mượt cao.
Nhờ đường kính nhỏ, trục vitme T8 có khối lượng thấp và mô-men quán tính nhỏ, giúp động cơ tăng tốc nhanh và phản hồi tốt hơn. Đây là lý do vít me T8 thường được sử dụng cho trục Z và trục XY trong máy in 3D cũng như CNC mini.
Tầm Quan Trọng Của Đai Ốc Vít Me T8 Trong Hệ Thống Truyền Động
Trong cụm truyền động vitme, đai ốc vít me T8 đóng vai trò quyết định đến độ mượt và độ chính xác của chuyển động.
Đai ốc được gia công chính xác để ăn khớp hoàn hảo với ren của trục vitme T8, giúp hạn chế độ rơ và giảm rung trong quá trình vận hành. Khi kết hợp đúng loại đai ốc với vitme 8mm, hệ thống có thể đạt được chuyển động ổn định và tuổi thọ cao hơn đáng kể.
Đặc Điểm Của Vít Me T10 ( Vitme 10mm )
So với T8, vitme 10mm hay vít me T10 có độ cứng trục tốt hơn và khả năng chịu tải cao hơn.
Nhờ đường kính lớn hơn, vít me T10 phù hợp với các hệ thống cần lực đẩy lớn hơn nhưng vẫn giữ được kích thước nhỏ gọn. Đây là lựa chọn trung gian giữa vít me T8 và vít me T12, thường được dùng trong robot mini, bàn trượt tự động và máy cơ khí nhỏ.
Ưu Điểm Của Vitme T12 Trong Nhóm Vít Me Mini
Trong nhóm vít me mini, vitme T12 có đường kính lớn nhất và khả năng chịu lực cao nhất.
So với trục vít me T8 và vít me T10, vitme T12 giúp giảm hiện tượng võng trục khi làm việc ở hành trình dài hoặc tải trọng lớn. Nhờ đó, T12 thường được sử dụng trong các thiết bị bán công nghiệp và hệ thống cần độ ổn định cao hơn.
So Sánh Trục Vitme Mini Với Trục Vitme Kích Thước Lớn
Về mặt kết cấu, trục vitme mini có ưu điểm vượt trội về sự gọn nhẹ và linh hoạt. Trong khi vitme tiêu chuẩn phù hợp với máy công nghiệp lớn, thì trục vít me mini lại tối ưu cho hệ thống nhỏ và di động.
Ở các ứng dụng nhẹ và trung bình, vít me mini hoàn toàn có thể thay thế vitme lớn mà vẫn đảm bảo độ chính xác và hiệu suất cần thiết.
Ứng Dụng Thực Tế Của Trục Vitme T8, Vít Me T10 Và Vít Me T12
Trong thực tế, từng loại vitme được lựa chọn theo yêu cầu tải và độ cứng:
Vít me T8: dùng cho máy in 3D, CNC mini, cơ cấu trượt nhẹ
Vít me T10: dùng cho robot mini, bàn trượt tự động
Vít me T12: dùng cho máy bán công nghiệp, thiết bị đo chính xác
Sự linh hoạt này giúp trục vít me mini đáp ứng tốt nhiều loại hệ thống khác nhau.
Tầm Quan Trọng Của Việc Chọn Đúng Vít Me Mini
Việc chọn sai loại vitme có thể dẫn đến rung lắc, mòn nhanh và sai số lớn. Vì vậy, khi lựa chọn trục vít me T8, vitme 10mm hay vít me T12, cần cân nhắc kỹ tải trọng, hành trình và độ chính xác yêu cầu.
Một lựa chọn đúng ngay từ đầu sẽ giúp hệ thống vận hành ổn định, giảm chi phí bảo trì và nâng cao tuổi thọ thiết bị.
So Sánh Độ Cứng Và Khả Năng Chịu Lực Giữa Vít Me T8, Vitme T10 Và Vít Me T12
Mỗi đường kính vitme sẽ mang lại đặc tính cơ học khác nhau:
- Vít me T8 phù hợp với chuyển động nhanh, tải nhẹ và yêu cầu độ mượt cao
- Vitme T10 tăng độ cứng trục, cân bằng tốt giữa tải và kích thước
- Vít me T12 cho khả năng chịu lực lớn hơn, giảm võng trục trong hành trình dài
Việc lựa chọn đúng sẽ ảnh hưởng trực tiếp đến tuổi thọ và độ ổn định của toàn bộ hệ thống.
Ảnh Hưởng Của Bước Ren Đến Hiệu Suất Vitme Mini HIWIN
Bước ren là yếu tố then chốt quyết định:
- Tốc độ tịnh tiến
- Lực đẩy đầu ra
- Độ phân giải chuyển động
Với vít me T8, bước ren thường được tối ưu cho chuyển động mượt và tốc độ cao.
Trong khi đó, vitme T10 và vitme T12 có nhiều tùy chọn bước ren hơn để đáp ứng các yêu cầu lực khác nhau trong tự động hóa và thiết bị chính xác.
Khả Năng Chống Mài Mòn Và Độ Bền Trục Vít Me Mini HIWIN
Nhờ sử dụng thép hợp kim cao cấp và quy trình xử lý bề mặt nghiêm ngặt, trục vít me mini HIWIN có khả năng:
- Chống mài mòn vượt trội
- Duy trì độ chính xác lâu dài
- Hoạt động ổn định trong môi trường làm việc liên tục
Dù là vitme T10, vít me T8 hay vitme T12, tuổi thọ đều cao hơn so với các sản phẩm phổ thông cùng phân khúc.
Khả Năng Chống Rung Và Giảm Ồn Trục Vít Me Mini
Một ưu điểm lớn của vitme mini HIWIN là khả năng vận hành êm ái. Điều này đặc biệt quan trọng với:
- Máy in 3D cao cấp
- Thiết bị y tế
- Phòng thí nghiệm và môi trường kín
Các dòng vít me T8 và vít meT10 thường được ưu tiên cho hệ thống yêu cầu độ ồn thấp, trong khi vitme T12 vẫn đảm bảo sự ổn định ngay cả ở tải cao.
Tính Linh Hoạt Khi Tích Hợp Vitme Mini Vào Hệ Thống
Vitme mini HIWIN có thiết kế thân thiện cho tích hợp:
- Dễ kết hợp với động cơ bước và servo
- Phù hợp nhiều loại gối đỡ và khớp nối
- Thuận tiện bảo trì và thay thế
Nhờ đó, các dòng vít me T12, vít me T10 và vít me T8 đều được ứng dụng rộng rãi từ DIY CNC đến thiết bị bán công nghiệp.
Lý Do Trục Vitme Mini HIWIN Được Ưu Chuộng Trong Các Dự Án CNC Nhỏ
Trong các dự án CNC mini, yêu cầu lớn nhất là độ chính xác – độ bền – chi phí hợp lý. Trục vitme mini HIWIN đáp ứng tốt cả ba yếu tố này.
Đặc biệt, vít meT8 được sử dụng phổ biến cho trục Z và trục XY, trong khi vitme T10 và vít me T12 phù hợp cho các trục chịu tải lớn hơn hoặc hành trình dài.
Hiệu Suất Thức Tế Vitme T10, Vít Me T8, Vít Me T12
Qua thực tế sử dụng, vitme mini HIWIN cho thấy:
- Chuyển động ổn định
- Sai số thấp
- Khả năng lặp lại cao
Dù lựa chọn vít me T8, vitme T10 hay vít me T12, người dùng đều nhận được hiệu suất vượt trội so với kích thước của sản phẩm.
Chọn Lựa Vitme Mini HIWIN Phù Hợp
Xác Định Tải Trọng
Luôn chọn vitme có khả năng chịu tải cao hơn nhu cầu thực tế.
Không Gian Lắp Đặt
Vitme mini là lựa chọn lý tưởng cho không gian hạn chế.
Cấp Chính Xác Yêu Cầu
Ứng dụng càng tinh, yêu cầu càng cao.
Hướng Dẫn Lắp Đặt Vít Me T10
Căn Chỉnh Trục
Lệch trục là nguyên nhân hàng đầu gây mòn sớm.
Kết Hợp Gối Đỡ Phù Hợp
Gối đỡ giúp tăng độ ổn định và tuổi thọ.
Bôi Dưỡng Vitme T12
Tác Dụng Bôi Trơn
Giảm ma sát, giảm nhiệt và kéo dài tuổi thọ.
Thời Gian Bảo Trì
Vitme t12 cần bảo trì định kỳ nhưng không phức tạp.
Những Lỗi Thông Thường Và Cách Khắc Phục Vít Me T10
Kẹt Chuyển Động
Nguyên nhân thường do bụi bẩn hoặc lắp lệch.
Độ Ồn Bất Thường
Có thể do thiếu bôi trơn hoặc mòn đai ốc.
So Sánh Vitme T10 HIWIN Với Các Thương Hiệu Khác
Ưu Điểm Cạnh Tranh Của HIWIN
- Chất lượng ổn định
- Dung sai chính xác
- Hỗ trợ kỹ thuật toàn cầu
Hiệu Quả Chi Phí Trong Dài Hạn Khi Chọn Vít Me Mini
Dù giá ban đầu có thể cao hơn, nhưng vitme t10 HIWIN giúp:
- Giảm bảo trì
- Giảm thời gian dừng máy
- Tăng độ tin cậy hệ thống
Xu Hướng Tương Lai Của Vít Me T8
Hệ thống mini hóa, tự động hóa thông minh và robot cá nhân sẽ tiếp tục thúc đẩy nhu cầu vít me t8 chất lượng cao – nơi HIWIN vẫn giữ vai trò tiên phong.
KẾT LUẬN
Vitme mini HIWIN chứng minh rằng kích thước nhỏ không giới hạn hiệu suất. Với độ chính xác cao, vận hành êm ái và độ bền vượt trội, chúng là lựa chọn lý tưởng cho mọi hệ thống chuyển động nhỏ gọn hiện đại. Đầu tư vào HIWIN chính là đầu tư vào sự ổn định, chính xác và tương lai của tự động hóa.
CÂU HỎI THƯỜNG GẶP (FAQ)
1. Vít me T10,T8, T12 khác nhau thế nào?
Khác nhau về đường kính, khả năng chịu tải và độ cứng.
2. Đai ốc vít me t8 HIWIN có dùng cho CNC không?
Có, đặc biệt phù hợp CNC mini và máy chính xác nhỏ.
3. Vitme T10 có bền không?
Rất bền nếu lắp đặt và bôi trơn đúng cách.
4. Vitme T12 HIWIN có độ rơ thấp không?
Có, được gia công chính xác giúp chuyển động ổn định.
5. Vitme T8 HIWIN có dễ lắp đặt không?
Có, thiết kế thân thiện cho tích hợp hệ thống.






Đánh giá
Chưa có đánh giá nào.