Giới Thiệu Đai Ốc Vitme HIWIN Xoay R1
Dòng HIWIN R1 Rotating Nut là giải pháp thay thế cho cấu trúc vitme truyền thống, trong đó đai ốc xoay, còn trục vitme đứng yên. Điều này tạo nên nhiều ưu điểm vượt trội về tốc độ, độ cứng và ổn định.
Dòng R1 phù hợp cho:
- Máy CNC cần tốc độ cao
- Hệ thống nâng – hạ chính xác
- Robot công nghiệp
- Máy đo lường
- Thiết bị bán dẫn
- Ứng dụng tiết kiệm không gian lắp đặt
Điểm Đặc Biệt Đai Ốc Vitme Xoay R1
1. Thiết kế xoay – tối ưu tốc độ
Trục vitme đứng yên, chỉ đai ốc xoay → giảm rung, giảm lực ly tâm và tăng tuổi thọ.
2. Tiết kiệm không gian
Không cần trục dài quay tốc độ cao → phù hợp với máy mini hoặc không gian hẹp.
3. Tăng độ ổn định khi chạy nhanh
Đai ốc xoay luôn ổn định hơn trục quay → giảm biến dạng ở tốc độ cao.
4. Hiệu suất cao & độ chính xác vượt trội
Tối ưu đều theo tiêu chuẩn HIWIN:
- Độ rơ thấp
- Ma sát nhỏ
- Độ cứng cao
- Vận hành mượt
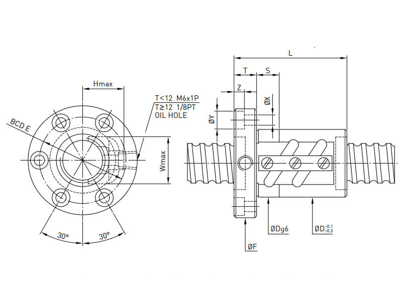
Cấu Tạo Đai Ốc Vitme HIWIN Xoay R1

Các thành phần chính
| Thành phần | Chức năng |
|---|---|
| Trục vitme | Hướng dẫn chuyển động tuyến tính |
| Đai ốc xoay R1 | Bộ phận xoay tạo chuyển động |
| Vòng bi tích hợp | Đỡ lực và duy trì độ ổn định |
| Bi tuần hoàn | Giảm ma sát, tăng độ chính xác |
| Seal chắn bụi | Giữ bụi và giữ mỡ bôi trơn |
Nguyên lý hoạt động
- Motor truyền chuyển động xoay trực tiếp vào đai ốc R1.
- Bi tuần hoàn bên trong lăn theo đường rãnh vitme.
- Chuyển động xoay → chuyển thành chuyển động tuyến tính mượt và chính xác.
Ưu Điểm Đai Ốc Vitme Xoay R1

1. Tốc độ cao hơn vitme truyền thống
Đai ốc xoay cho phép tốc độ chạy nhanh hơn 2–3 lần so với vitme thường.
2. Không rung ở tốc độ cao
Trục đứng yên → không bị võng, không dao động.
3. Độ chính xác cao
Tối ưu cho:
Máy CNC tạo mẫu
Máy khắc chính xác
Hệ thống đo lường cần sai số cực thấp
4. Tuổi thọ lâu dài
Bi tuần hoàn bên trong giảm ma sát → tăng độ bền.
5. Hoạt động êm, ít tiếng ồn
Nhờ bi lăn và cấu trúc tuần hoàn mượt.
Phân Biệt Đai Ốc Vitme Xoay R1 Với Các Dòng Vitme HIWIN
| Dòng vitme | Đặc điểm chính | Ứng dụng |
|---|---|---|
| Loại tuần hoàn ngoài | Tải lớn | Máy CNC nặng |
| Loại tuần hoàn trong | Gọn, ít tiếng ồn | Máy mini |
| Super T | Chính xác cao | CNC nhỏ & trung |
| Super Z | Chuyên nâng hạ | Máy nâng |
| Xoay R1 | Tốc độ cao, trục đứng yên | CNC tốc độ cao, robot |
Xem thêm: Thanh trượt vitme
Số Liệu Kỹ Thuật Vitme HIWIN R1
| Đặc tính | Giá trị tiêu chuẩn |
|---|---|
| Độ chính xác | C5 – C3 |
| Vật liệu | Thép hợp kim tôi cứng |
| Kiểu bi | Tuần hoàn xoay |
| Tốc độ tối đa | Cao hơn vitme thường 2–3 lần |
| Lực tải | Tùy đường kính 8–25mm |
Ứng Dụng Vitme HIWIN Xoay R1
1. Máy CNC tốc độ cao
Phù hợp cho:
- Khắc nhôm
- Khắc gỗ tốc độ cao
- Cắt mica, PCB
2. Ứng dụng trong robot
Đảm bảo chính xác & vận tốc lớn.
3. Hệ thống nâng hạ
Dùng trong các bàn nâng, cơ cấu trượt dọc Z.
4. Ngành bán dẫn và quang học
Đòi hỏi chuyển động siêu mượt.
5. Máy in công nghiệp
Tốc độ cao và yêu cầu vận hành liên tục.
Để Chọn Đai Ốc Vitme HIWIN Xoay R1 Phù Hợp
1. Dựa vào tải trọng
- Máy nhỏ → trục 8–10mm
- Máy vừa → 12–16mm
- Máy lớn → 20–25mm
2. Dựa vào tốc độ
R1 phù hợp cho tốc độ từ 1500–5000 mm/s.
3. Chọn bước vitme
- Bước nhỏ → chính xác
- Bước lớn → tốc độ cao
4. Dựa vào motor
- Máy mini → Nema 17
- CNC lớn → Nema 23–34
Cách Lắp Đặt Vitme HIWIN Xoay R1
1. Đồng tâm giữa motor – đai ốc
Lệch trục gây rung và mài mòn.
2. Không để bụi bẩn xâm nhập
Luôn dùng seal chắn bụi.
3. Không siết quá lực
Dễ kẹt bi và nóng motor.
4. Lắp gối đỡ BK/BF tiêu chuẩn
Tăng độ cứng và chống rung.
Bảo Dưỡng Vitme HIWIN Xoay R1
| Công việc | Chu kỳ | Cách thực hiện |
|---|---|---|
| Vệ sinh | 1–2 tuần | Lau sạch bụi |
| Bôi trơn | 30–40 ngày | Dùng mỡ lithium hoặc PTFE |
| Kiểm tra độ rơ | 3 tháng | Điều chỉnh preload |
| Kiểm tra tiếng ồn | Thường xuyên | Phát hiện khô mỡ hoặc sai trục |
Lỗi Thường Gặp Đai Ốc Vitme Xoay R1
- Không bôi trơn thường xuyên
- Lắp lệch trục giữa đai ốc – motor
- Chạy quá tải
- Dùng bước vitme không phù hợp
- Chọn kích thước trục quá dài gây võng
Kết Luận
Đai Ốc Vitme HIWIN Xoay R1 là giải pháp vượt trội cho các hệ thống truyền động tuyến tính yêu cầu tốc độ cao, độ chính xác lớn và khả năng tiết kiệm không gian. Với thiết kế thông minh, độ bền cao và hoạt động êm ái, R1 trở thành lựa chọn lý tưởng cho cả máy công nghiệp và máy CNC mini.
Nếu bạn đang tối ưu hóa dây chuyền, nâng cấp máy CNC hoặc xây dựng hệ thống tự động hóa mới, R1 chắc chắn là một trong những lựa chọn đáng đầu tư nhất.
FAQs
1. Đai ốc xoay R1 khác gì vitme thường?
Đai ốc xoay, trục đứng yên → chạy nhanh hơn và ổn định hơn.
2. R1 có dùng được cho máy CNC mini không?
Có, đặc biệt cho trục Z và trục X tốc độ cao.
3. Có cần bôi trơn thường xuyên không?
Nên bôi mỗi 30–40 ngày để duy trì độ mượt.
4. Đai ốc xoay R1 có phù hợp robot không?
Rất phù hợp nhờ độ chính xác và tốc độ cao.
5. HIWIN R1 có nhiều kích thước không?
Có từ 8mm – 25mm đáp ứng mọi loại máy.






Đánh giá
Chưa có đánh giá nào.