Giới Thiệu Về Trục Vít Me Đai Ốc Bi Super Z
Vít me bi Super Z là dòng trục vít me bi được thiết kế đặc biệt cho ứng dụng nâng hạ, tải trọng cao và không gian hẹp. Nhờ vào cấu trúc bi tuần hoàn chính xác và cơ chế bôi trơn tối ưu, vít me đai ốc Super Z đạt được độ chính xác vi mô, đồng thời duy trì độ bền lâu dài trong mọi điều kiện vận hành.
Đặc Điểm Trục Vít Me Bi Super Z
| Đặc tính kỹ thuật | vitme đai ốc bi Super Z | Vít me thông thường |
|---|---|---|
| Cấu trúc bi tuần hoàn | Có (giảm ma sát) | Không |
| Khả năng chịu tải | Cao hơn 40–60% | Trung bình |
| Tuổi thọ vận hành | >10.000 giờ | <5.000 giờ |
| Độ chính xác | ±0.005 mm | ±0.02 mm |
| Hiệu suất truyền động | 90–95% | 60–70% |
| Tiếng ồn | Rất thấp | Cao |
Trục Vít Me Bi Super Z không chỉ vượt trội về độ chính xác mà còn tối ưu cho chuyển động nâng hạ liên tục, phù hợp cho các máy CNC mini, máy in 3D, thiết bị đo lường, bàn nâng tự động và robot công nghiệp cỡ nhỏ.
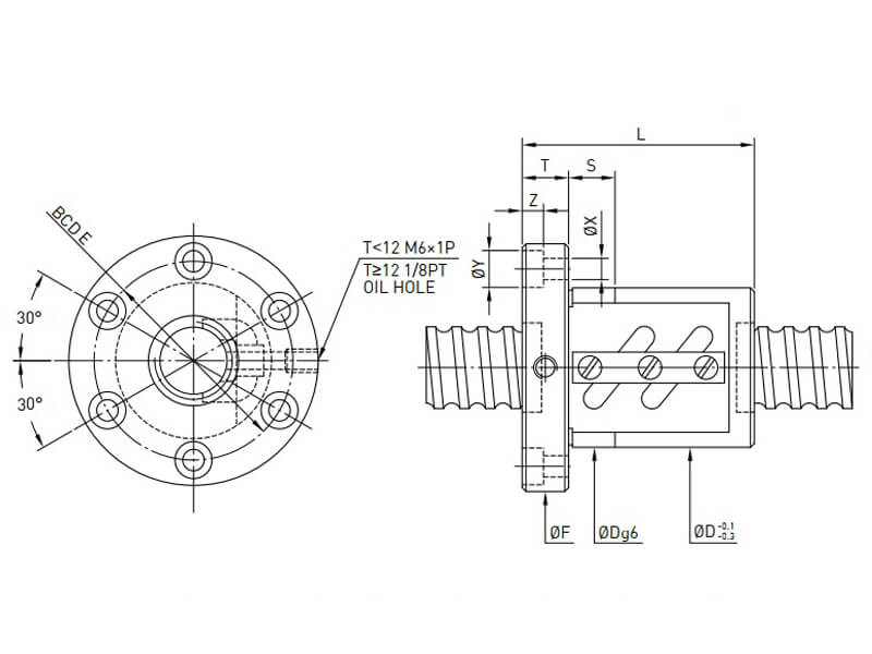
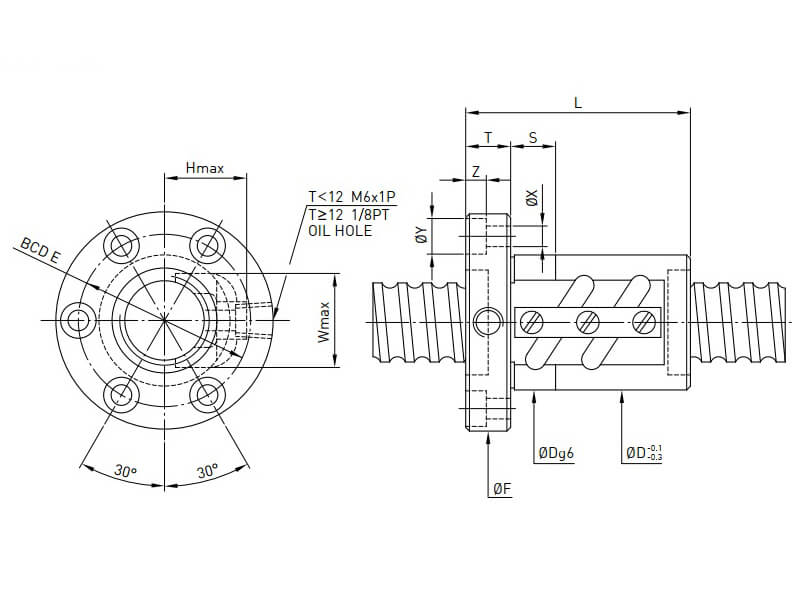
Cấu Tạo Trục Vitme Bi Super Z

1. Trục vít HIWIN (Screw Shaft)
Được chế tạo từ thép hợp kim cứng mạ crom, giúp chịu được tải nặng và giảm biến dạng khi quay tốc độ cao. Bề mặt được tôi luyện bằng quy trình nhiệt luyện kép, đảm bảo độ bóng và giảm hao mòn.
2. Đai ốc bi (Ball Nut)
Đây là trái tim của vít me đai ốc bi Super Z, chứa hệ thống bi tuần hoàn giúp giảm ma sát và phân bổ tải đều. Đai ốc có khả năng tự căn chỉnh nhẹ, hỗ trợ chuyển động chính xác tuyệt đối.
3. Bi tuần hoàn (Circulating Balls)
Các viên bi thép nhỏ lăn trong rãnh xoắn, tạo nên chuyển động tuyến tính êm ái. Cơ chế này cho phép chuyển đổi mô-men xoắn thành chuyển động thẳng mượt mà, gần như không có độ rơ.
4. Cơ chế tự bôi trơn E2
Tùy chọn E2 self-lubrication module của HIWIN cho phép vận hành trên 4.000 giờ mà không cần bảo dưỡng, tiết kiệm chi phí vận hành.
Nguyên Lý Hoạt Động Trục Vít Me Bi Super Z

Khi động cơ quay trục vitme bi, các viên bi bên trong đai ốc di chuyển theo rãnh xoắn. Chuyển động quay này được chuyển đổi thành chuyển động tuyến tính chính xác, cho phép nâng hạ hoặc di chuyển tải trọng một cách êm và ổn định, gần như không có ma sát.
Ứng Dụng Trục Vitme Bi Super Z
Ứng Dụng Công Nghiệp
- Máy CNC cỡ nhỏ và trung
- Hệ thống nâng hạ trục Z
- Robot lắp ráp tự động
- Máy khắc laser và plasma
- Dây chuyền đóng gói và vận chuyển
Ứng Dụng Dân Dụng & DIY
- Máy in 3D, máy cắt mini
- Bàn nâng hạ mô hình
- Hệ thống camera tracking tự động
- Bàn đo chính xác hoặc dụng cụ thử nghiệm
- Cánh tay robot tự chế hoặc mô hình nghiên cứu
Ưu Điểm Vít Me Đai Ốc Bi Super Z

1. Hiệu suất và Tải trọng của trục vít me bi
Vít me đai ốc bi Super Z có khả năng chịu tải lên tới 150% so với trục vít me bi thông thường, nhờ thiết kế rãnh bi sâu và vật liệu thép hợp kim cao cấp.
2. Độ chính xác Vitme Đai Ốc Bi Super Z
Sai số dịch chuyển chỉ ±0.005 mm, giúp đảm bảo các chi tiết cắt, khắc hoặc nâng luôn đúng vị trí.
3. Cấu tạo chống rung, chống bụi
Tích hợp nắp cao su bảo vệ và cấu trúc bi khép kín, ngăn bụi và mạt kim loại xâm nhập.
4. Thuận tiện lắp đặt
Tương thích với các chuẩn gối đỡ BK/BF, EK/EF, giúp thay thế nhanh chóng trên hầu hết khung máy CNC hoặc robot.
5. Độ tiêu hao năng lượng thấp
Nhờ ma sát cực thấp, vít me đai ốc Super Z giúp tiết kiệm tới 30% năng lượng điện khi vận hành liên tục.
Phân Biệt Trục Vitme Bi Super Z Với Super T Và Super S
| Dòng sản phẩm | Ứng dụng chính | Đặc điểm nổi bật |
|---|---|---|
| Trục Vitme Bi Super T | CNC mini, khắc chi tiết nhỏ | Độ chính xác cao, nhẹ |
| Trục Vitme Bi Super S | Robot & in 3D | Chuyển động siêu êm |
| Vít Me Đai Ốc Bi Super Z | Nâng hạ, tải nặng, trục Z | Tải trọng cao, vận hành ổn định |
Trục Vitme Bi Super Z được xem là phiên bản “heavy-duty mini” của HIWIN – thiết kế riêng cho trục nâng hạ (Z-Axis) trong các hệ thống cần lực đẩy mạnh mà vẫn đảm bảo kích thước gọn nhẹ.
Xem thêm: Vít Me Đai Ốc
Vít me CNC Super T
Kích Thước Vitme Đai Ốc Bi Super Z
| Model | Đường kính trục (mm) | Bước ren (Lead mm) | Chiều dài (mm) | Tải trọng tối đa (kgf) | Độ chính xác |
|---|---|---|---|---|---|
| Trục Vitme Bi Super Z6 | 6 | 2 | 100–500 | 25 | ±0.01 mm |
| Trục Vít Me Bi Super Z8 | 8 | 2 / 4 | 100–600 | 50 | ±0.008 mm |
| Vitme Đai Ốc Bi Super Z10 | 10 | 2 / 5 / 10 | 150–800 | 100 | ±0.005 mm |
| Vitme Đai Ốc Bi Super Z12 | 12 | 4 / 8 / 12 | 200–1000 | 160 | ±0.005 mm |
Cách Lắp Đặt Vitme Đai Ốc Bi Super Z
1. Động cơ và vít me bi cần được lắp đặt chính xác
Đảm bảo trục vít song song tuyệt đối với thanh trượt để tránh rung hoặc hao mòn sớm.
2. Dùng gối đỡ cố định hai đầu trục vitme bi Super Z
Sử dụng BK/BF hoặc EK/EF phù hợp với kích thước trục, giúp giảm độ rơ khi tải nặng.
3. Vít me bi cần siết vừa đủ
Việc siết quá mức có thể làm kẹt bi và giảm tuổi thọ của vít me bi.
Cách Bảo Trì Vít Me Đai Ốc Bi Super Z
| Công việc | Tần suất | Hướng dẫn |
|---|---|---|
| Lau bụi và kiểm tra | Hàng tuần | Dùng vải mềm, tránh dung môi mạnh |
| Bôi trơn | 1–2 tháng/lần | Dầu bôi trơn HIWIN hoặc PTFE-based |
| Kiểm tra độ rơ | 3 tháng/lần | Siết lại preload nếu cần |
| Thay bi tuần hoàn | 1–2 năm/lần | Thực hiện bởi kỹ thuật viên chuyên nghiệp |
Lỗi Thông Thường Khi Dùng Trục Vitme Bi Super Z
- Không bôi trơn đúng cách → làm mòn bi và đai ốc.
- Chọn bước ren quá lớn → giảm độ chính xác nâng hạ.
- Cắt ngắn trục mà không gia công lại đầu ren → gây lệch tâm.
- Không dùng gối đỡ → rung, giảm tuổi thọ vít.
Ứng Dụng Vít Me Bi Super Z
Vít me bi Super Z hiện đang được ORBIMECH phân phối cho:
- Các xưởng CNC mini tại Bắc Ninh, Hà Nội, TP.HCM;
- Doanh nghiệp sản xuất thiết bị đo, robot tự động;
- Các dự án giáo dục kỹ thuật – STEM sử dụng trong mô hình máy CNC mini.
Khách hàng đánh giá trục vitme bi Super Z có độ bền cao, hoạt động ổn định sau 2–3 năm mà không cần thay thế linh kiện.
Tầm Quan Trọng Của Trục Vitme Bi Super Z Trong Hệ Truyền Động Tuyến Tính
Trong hệ truyền động tuyến tính, trục vitme bi Super Z đóng vai trò chuyển đổi mô-men xoắn của động cơ thành chuyển động thẳng với độ chính xác cao. Khác với vít me thường sử dụng ma sát trượt, vít me đai ốc bi Super Z sử dụng ma sát lăn nên:
- Giảm tổn hao năng lượng
- Tăng hiệu suất truyền động
- Giảm sinh nhiệt khi vận hành liên tục
Nhờ đó, hệ thống có thể duy trì độ ổn định lâu dài ngay cả khi hoạt động ở tốc độ cao hoặc chịu tải lớn trên trục Z.
Ảnh Hưởng Của Bước Ren Đến Hiệu Suất Vít Me Đai Ốc Bi Super Z
Bước ren là yếu tố quan trọng quyết định lực đẩy và tốc độ của trục vít me bi Super Z:
- Bước nhỏ (2–4 mm):
→ Lực đẩy lớn
→ Độ chính xác cao
→ Phù hợp nâng hạ, CNC kim loại - Bước lớn (8–12 mm):
→ Tốc độ cao
→ Lực đẩy giảm
→ Phù hợp máy khắc, máy in 3D
Việc lựa chọn đúng bước ren giúp tối ưu hiệu suất mà không làm giảm tuổi thọ của vít me bi.
Độ Preload Và Khả Năng Khử Độ Rơ Của Super Z
Vitme đai ốc bi Super Z được thiết kế với preload tiêu chuẩn, giúp:
- Triệt tiêu backlash
- Tăng độ cứng vững trục Z
- Đảm bảo chuyển động đảo chiều chính xác
Đặc biệt trong các ứng dụng CNC, preload giúp dao cắt không bị “nhảy bước” khi đổi hướng, từ đó đảm bảo:
- Độ chính xác hình học
- Chất lượng bề mặt gia công
- Độ lặp lại vị trí
So Sánh Vitme Đai Ốc Bi Super Z Với Vít Me Thường
Vít me thường sử dụng ma sát trượt nên:
- Hiệu suất thấp
- Nhanh mòn
- Khó đạt độ chính xác cao
Trong khi đó, vitme đai ốc bi Super Z:
- Hiệu suất đạt 90–95%
- Hầu như không mài mòn rãnh ren
- Tuổi thọ cao gấp nhiều lần
- Ít sinh nhiệt khi tải nặng
Vì vậy, vít me bi Super Z được ưu tiên trong các hệ thống yêu cầu vận hành liên tục và độ tin cậy cao.
Tầm Quan Trọng Của Trục Vít Me Đai Ốc Bi Super Z Với Độ Chính Xác Máy CNC
Độ chính xác của máy CNC không chỉ phụ thuộc vào phần mềm hay động cơ mà còn phụ thuộc trực tiếp vào trục vít me đai ốc bi Super Z.
Nếu vít me có độ rơ hoặc bị cong võng:
- Sai số sẽ tích lũy theo hành trình
- Bàn máy rung
- Dao cắt không ổn định
Khi sử dụng vít me bi Super Z:
- Chuyển động trục Z mượt
- Độ lặp lại cao
- Khả năng cắt ổn định ngay cả khi nâng hạ nhanh
Ứng Dụng Của Trục Vitme Bi Super Z Trong Trục Z
Trục vitme bi Super Z được thiết kế chuyên biệt cho trục Z vì:
- Có khả năng tự giữ tải tốt
- Không bị trượt ngược khi mất điện
- Chịu lực nén dọc trục cao
Nhờ đó, trục vitme bi Super Z thường được dùng trong:
- Máy CNC router
- Máy khắc đá
- Máy in 3D công nghiệp
- Robot nâng hạ
- Bàn nâng chính xác
Các Yếu Tố Ảnh Hưởng Độ Bền Vít Me Bi Super Z
Tuổi thọ thực tế của trục vitme bi Super Z phụ thuộc vào:
- Tải trọng sử dụng
- Chu kỳ bôi trơn
- Độ chính xác lắp đặt
- Môi trường làm việc
- Tốc độ quay trục
Một trục vitme bi Super Z được lắp đúng kỹ thuật và bôi trơn đều đặn có thể đạt:
10.000 – 20.000 giờ vận hành
Vai Trò Của Trục Vitme Bi Super Z Trong Xu Hướng Phát Triển Máy CNC
Trong xu hướng:
- Máy CNC nhỏ gọn
- Robot mini
- Thiết bị tự động hóa chính xác
Trục vitme bi Super Z trở thành lựa chọn lý tưởng vì:
- Kích thước nhỏ
- Lực đẩy lớn
- Độ chính xác cao
- Dễ tích hợp vào hệ cơ khí nhỏ
Điều này giúp trục vít me bi Super Z không chỉ phù hợp sản xuất công nghiệp mà còn phù hợp:
- Giáo dục kỹ thuật
- Nghiên cứu
- Dự án DIY chuyên nghiệp
Lý Do Super Z Được Tin Dùng Trong Hệ Nâng Hạ
So với trục vít me đai ốc bi Super T và Super S, Super Z nổi bật nhờ:
Thiết kế tối ưu cho tải trọng dọc trục
Khả năng chịu nén cao
Chuyển động ổn định khi nâng
Đây là lý do vít me đai ốc bi Super Z thường được gọi là: “ trục vitme bi chuyên trục Z”
Kết Luận
Vít me bi Super Z là bước tiến mới của HIWIN trong việc tối ưu hóa hiệu suất truyền động tuyến tính. Dù được thiết kế nhỏ gọn, nó vẫn mang trong mình sức mạnh công nghiệp, phù hợp cho cả người dùng cá nhân lẫn doanh nghiệp sản xuất chuyên nghiệp.
Nếu bạn đang tìm một giải pháp nâng hạ chính xác, bền bỉ và hiệu quả năng lượng cao, trục vít me bi Super Z chính là lựa chọn hoàn hảo.
FAQs
1. Vitme đai ốc bi Super Z có thể dùng cho máy in 3D không?
Có, đặc biệt phù hợp cho trục Z nâng hạ bàn in hoặc đầu in.
2. Trục vitme bi Super Z khác gì vít me đai ốc Super T?
Vít me đai ốc Super Z chịu tải lớn hơn và được tối ưu cho nâng hạ, trong khi vít me đai ốc Super T thiên về chuyển động tuyến tính tốc độ cao.
3. Có thể chạy thẳng đứng không?
Có, nhờ cấu trúc preload giúp giảm trượt và chống rơi tải.
4. Cần bôi trơn bằng loại dầu nào?
Nên dùng dầu HIWIN chính hãng hoặc mỡ PTFE-based.
5. Mua vitme đai ốc bi Super Z ở đâu?
Tại đại lý chính thức ORBIMECH Việt Nam – Hotline: 0768 227 986 hoặc Website: https://orbimech.com
.






Đánh giá
Chưa có đánh giá nào.