Giới Thiệu Trục Vít Me Máy Tiện Super S
Trục vít me máy tiện là linh kiện chuyển động tuyến tính độ chính xác cao, dùng để chuyển đổi chuyển động quay thành chuyển động tịnh tiến với hiệu suất vượt trội. Khác với các loại trục truyền động thông thường, vitme Super S sử dụng các viên bi tuần hoàn giúp:
- Giảm ma sát
- Tăng độ chính xác
- Tối ưu hiệu suất động
- Tăng độ bền và độ ổn định
Nó được thiết kế cho:
- Chuyển động tốc độ cao
- Tải trọng lớn
- Độ bền lâu dài
- Độ rơ cực thấp
- Hoạt động êm, không rung
Nói đơn giản: nếu máy móc cần chuyển động tuyến tính mượt, chính xác và bền bỉ — Super S là lựa chọn hoàn hảo.
Điểm Đặc Biệt Vít Me Máy Tiện
So với các loại vitme bi thông thường, dòng Super S sử dụng:
- Biên dạng ren tối ưu
- Xử lý bề mặt cao cấp
- Đường hồi bi cải tiến
Nhờ đó, nó mang lại:
- Phản hồi chuyển động nhanh hơn
- Giảm mô-men xoắn khi vận hành
- Độ cứng vững cao
- Giảm nhiệt phát sinh
- Tăng tuổi thọ
Tên “Super” hoàn toàn đúng với hiệu suất của nó.
Cấu Tạo Trục Vít Me Máy Tiện

Về mặt cấu tạo, vít me máy tiện dòng Super S được thiết kế với các bộ phận phối hợp chặt chẽ nhằm giảm ma sát và tăng độ bền. Cấu trúc cơ bản gồm:
- Trục vitme được mài chính xác cao.
- Đai ốc bi tuần hoàn dẫn hướng chuyển động.
- Bi thép chịu tải và giảm ma sát.
- Phớt chắn bụi bảo vệ hệ thống.
- Cơ cấu tiền tải giúp loại bỏ độ rơ.
Mỗi thành phần đều được tối ưu để đạt:
- Ma sát thấp.
- Chuyển động mượt.
- Ít mài mòn.
- Khả năng làm việc lâu dài.
Nguyên Lý Hoạt Động Vít Me Máy Tiện Super S

Nguyên lý hoạt động của vít me máy tiện dựa trên chuyển động lăn của bi giữa trục và đai ốc. Quá trình diễn ra như sau:
- Trục vít quay.
- Bi lăn giữa trục và đai ốc.
- Đai ốc dịch chuyển theo phương thẳng.
Cơ chế này mang lại các lợi ích kỹ thuật:
- Ma sát lăn thay thế ma sát trượt.
- Hiệu suất truyền động xấp xỉ 95%.
- Giảm tải cho động cơ.
- Duy trì độ chính xác lâu dài.
Ưu Điểm Vít Me Máy Tiện
Nhờ thiết kế tối ưu, vít me máy tiện dòng Super S thể hiện nhiều ưu điểm vượt trội:
- Độ chính xác cao.
- Khả năng chịu tải lớn.
- Tốc độ làm việc nhanh.
- Ít sinh nhiệt khi vận hành.
- Độ cứng vững tốt.
- Độ rơ gần bằng 0.
- Tuổi thọ dài.
Những ưu điểm này đặc biệt phù hợp cho CNC tốc độ cao, gia công tinh và các trục nâng tải.
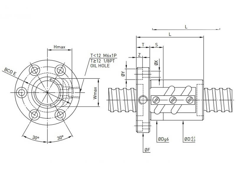
Số Liệu Kỹ Thuật Trục Vít Me Máy Tiện Super S

Trong quá trình lựa chọn vít me máy tiện, người dùng cần xem xét đầy đủ các thông số kỹ thuật cơ bản để đảm bảo hệ thống đạt được độ chính xác, độ bền và hiệu suất vận hành mong muốn. Các thông số này không chỉ ảnh hưởng đến khả năng chịu tải mà còn liên quan trực tiếp đến việc xác định bước vitme là gì trong từng ứng dụng cụ thể.
Những thông số kỹ thuật phổ biến của trục vít me máy tiện bao gồm:
Đường Kính Trục
Đường kính trục là yếu tố quyết định trực tiếp đến độ cứng vững và khả năng chịu tải của vít me máy tiện. Trong thực tế, các kích thước thường gặp là:
- 12 mm
- 16 mm
- 20 mm
- 25 mm
- 32 mm
- 40 mm
- 50 mm
- 63 mm
Ý nghĩa thực tế của đường kính trục:
- Đường kính nhỏ: phù hợp cho máy nhỏ, tải nhẹ, yêu cầu tốc độ cao.
- Đường kính lớn: thích hợp cho tải trọng lớn, hành trình dài và hệ trục chịu lực mạnh.
Việc lựa chọn đúng đường kính giúp hệ thống tránh hiện tượng võng trục và tăng tuổi thọ cho vít me máy tiện.
Bước Ren (Lead)
Khi tìm hiểu bước vitme là gì, người dùng cần nắm rõ rằng bước ren chính là quãng đường tịnh tiến của đai ốc khi trục vít quay một vòng. Đây là thông số ảnh hưởng trực tiếp đến tốc độ và lực đẩy của hệ thống.
Các giá trị bước ren phổ biến:
- 2 mm
- 5 mm
- 10 mm
- 20 mm
- 40 mm
Vai trò của bước ren trong vận hành:
- Bước nhỏ: lực đẩy lớn, độ phân giải cao, tốc độ chậm.
- Bước lớn: tốc độ cao, lực đẩy giảm, phù hợp cho trục chạy nhanh.
Như vậy, để hiểu đúng bước vít me là gì, cần xem đây là thông số cân bằng giữa lực, tốc độ và độ chính xác trong từng ứng dụng cụ thể.
Cấp Độ Chính Xác
Cấp độ chính xác phản ánh mức sai số cho phép trên mỗi chiều dài trục vít me máy tiện. Đây là yếu tố quan trọng đối với các máy gia công chính xác.
Các cấp độ thường gặp:
- C7: cấp tiêu chuẩn, dùng cho máy thông thường.
- C5: độ chính xác cao, dùng cho CNC phổ thông.
- C3: độ chính xác rất cao, dùng cho máy CNC cao cấp và thiết bị đo lường.
Ý nghĩa kỹ thuật:
- Cấp chính xác càng cao → sai số càng nhỏ.
- Cấp chính xác cao → giá thành và yêu cầu lắp đặt cũng cao hơn.
Việc lựa chọn cấp chính xác phù hợp giúp tối ưu chi phí mà vẫn đáp ứng yêu cầu kỹ thuật của vít me máy tiện.
Mức Tiền Tải (Preload)
Tiền tải là lực nén ban đầu giữa bi và rãnh ren nhằm loại bỏ khe hở và tăng độ cứng cho hệ thống.
Các mức tiền tải phổ biến:
- Nhẹ
- Trung bình
- Nặng
Ảnh hưởng của tiền tải:
- Tiền tải nhẹ: giảm ma sát, phù hợp tốc độ cao.
- Tiền tải trung bình: cân bằng giữa độ cứng và độ bền.
- Tiền tải nặng: độ rơ gần bằng 0, thích hợp cho máy gia công chính xác cao.
Việc xác định đúng preload giúp vít me máy tiện vận hành ổn định và tránh rung lắc trong quá trình làm việc.
Kiểu Đai Ốc
Đai ốc là bộ phận trực tiếp tạo ra chuyển động tịnh tiến, vì vậy kiểu dáng đai ốc ảnh hưởng lớn đến khả năng lắp đặt và tải trọng.
Các kiểu đai ốc thường dùng:
- Đai ốc đơn
- Đai ốc đôi
- Đai ốc có mặt bích
- Đai ốc dạng nhỏ gọn
Ứng dụng thực tế:
- Đai ốc đơn: cấu trúc đơn giản, dễ thay thế.
- Đai ốc đôi: tăng độ cứng, giảm độ rơ.
- Đai ốc mặt bích: dễ cố định vào bàn trượt.
- Dạng nhỏ gọn: phù hợp không gian hạn chế.
Việc chọn đúng kiểu đai ốc giúp vít me máy tiện dễ tích hợp vào kết cấu máy và đảm bảo độ ổn định lâu dài.
Mối Liên Hệ Giữa Thông Số Và Hiệu Suất Vít Me Máy Tiện
Tổng hợp các yếu tố như đường kính, bước ren, cấp chính xác, tiền tải và kiểu đai ốc cho thấy: hiệu suất của vít me máy tiện phụ thuộc trực tiếp vào việc lựa chọn đúng thông số ngay từ đầu. Khi hiểu rõ bước vít me là gì, người thiết kế có thể:
- Tối ưu tốc độ di chuyển của trục.
- Đảm bảo lực đẩy phù hợp với tải trọng.
- Duy trì độ chính xác trong suốt vòng đời thiết bị.
Một lựa chọn thông số hợp lý không chỉ giúp hệ thống vận hành êm ái mà còn giảm chi phí bảo trì và hạn chế hư hỏng phát sinh về sau.
Bước Vitme Là Gì?
Trong quá trình thiết kế và lựa chọn truyền động, câu hỏi bước vitme là gì luôn được đặt ra đầu tiên. Bước vitme được hiểu là quãng đường mà đai ốc di chuyển khi trục vít quay đúng một vòng. Có thể hình dung đơn giản:
- Trục vít quay 1 vòng.
- Đai ốc tiến được X mm.
- Giá trị X chính là bước vitme.
Thông số này quyết định trực tiếp đến:
- Tốc độ di chuyển của trục.
- Lực đẩy sinh ra trong quá trình làm việc.
- Độ phân giải và khả năng điều khiển chuyển động.
Bước Vít Me Là Gì Và Vai Trò Thực Tế
Xét về mặt kỹ thuật, bước vít me là gì được hiểu là thông số mô tả mức tiến tuyến tính của đai ốc theo mỗi vòng quay của trục vít me máy tiện. Đây là yếu tố ảnh hưởng trực tiếp đến:
- Gia tốc và tốc độ hành trình của trục.
- Độ chính xác định vị của hệ thống.
- Khả năng chịu tải khi gia công.
- Độ ổn định khi vận hành ở tốc độ cao.
Trong thực tế có thể so sánh nhanh:
- Bước nhỏ: lực đẩy lớn, tốc độ chậm.
- Bước lớn: tốc độ cao, lực giảm.
Do đó, lựa chọn đúng bước vít me giúp cân bằng giữa lực truyền động và tốc độ di chuyển.
Ứng Dụng Của Trục Vít Me Máy Tiện
1. Máy CNC
- Máy phay
- Máy tiện
- Router
- Máy laser
2. Tự Động Hóa Công Nghiệp
- Cơ cấu trục tuyến tính
- Dây chuyền lắp ráp
- Robot pick-and-place
3. Thiết Bị Bán Dẫn
Yêu cầu độ chính xác cực cao.
4. Thiết Bị Y Tế – Phòng Lab
Ứng dụng trong các hệ thống định vị.
5. Hệ Thống Tải Nặng
Như trục nâng, bàn ép, trục đứng.
Phân Biệt Trục Vít Me Máy Tiện Super S vs Vitme Thông Thường
| Tính năng | Vít Me Máy Tiện SuperS | Vitme thường |
|---|---|---|
| Tốc độ | Cao hơn | Trung bình |
| Tải trọng | Lớn hơn | Thường |
| Độ rơ | Rất thấp | Thấp – TB |
| Tuổi thọ | Rất cao | TB |
| Nhiệt phát sinh | Thấp | Cao |
| Rung động | Ít | Nhiều hơn |
| Hiệu suất | ≈95% | 80–90% |
Vít me máy tiện dòng Super S vượt trội gần như mọi mặt.
xem thêm : Vít me bi Super Z
Cách Lắp Đặt Trục Vít Me Máy Tiện
Trong quá trình lắp đặt, cần chú ý các yếu tố kỹ thuật:
- Căn chỉnh đồng tâm giữa trục và gối đỡ.
- Sử dụng gối đỡ đạt chuẩn.
- Bôi trơn đúng loại mỡ hoặc dầu.
- Che chắn bụi bẩn cho trục vít.
- Kiểm tra preload sau khi lắp.
Cần tránh các lỗi phổ biến như lệch trục, thiếu bôi trơn hoặc lắp sai hướng tải.
Cách Bảo Dưỡng Trục Vít Me Máy Tiện
Để vít me máy tiện vận hành bền bỉ và chính xác, cần thực hiện bảo dưỡng định kỳ gồm:
- Bôi trơn đúng chu kỳ.
- Vệ sinh bề mặt trục.
- Theo dõi nhiệt độ làm việc.
- Lắng nghe tiếng ồn bất thường.
- Kiểm tra độ rơ của hệ thống.
Các biện pháp này giúp kéo dài tuổi thọ, duy trì độ chính xác và hạn chế hư hỏng đột ngột trong quá trình vận hành.
Lựa Chọn Vít Me Máy Tiện Phù Hợp
Các Yếu Tố Cần Xem Xét
- Tải trọng
- Tốc độ hành trình
- Độ chính xác
- Kích thước máy
- Hướng lắp đặt
- Ngân sách
Chọn Đường Kính & Bước Ren
- Bước lớn → tốc độ cao
- Đường kính lớn → tải trọng cao
Chọn Cấp Độ Chính Xác
- C3: CNC chính xác cao
- C5: CNC phổ thông
- C7: kinh tế
Điểm Nổi Bật Trục Vít Me Máy Tiện Super S Trong Hệ Thống Tự Động Hóa Tốc Độ Cao
Nhờ:
- Đường hồi bi mượt
- Mô-men xoắn thấp
- Ổn định nhiệt
- Độ cứng cao
Giúp giảm downtime và tăng hiệu suất.
Các Lỗi Thường Gặp & Cách Khắc Phục
Tiếng Ồn Hoặc Rung
Nguyên nhân: lệch tâm
Khắc phục: chỉnh lại căn trục
Quá Nhiệt
Nguyên nhân: bôi trơn kém
Khắc phục: vệ sinh & bôi trơn lại
Xuất Hiện Độ Rơ
Nguyên nhân: mất preload
Khắc phục: chỉnh hoặc thay đai ốc
Chuyển Động Giật
Nguyên nhân: bụi bẩn
Khắc phục: vệ sinh, thay phớt
Kết Luận
Trục vít me máy tiện dòng Super S mang đến độ chính xác vượt trội, độ cứng vững cao và độ bền dài lâu — là lựa chọn tối ưu cho hệ thống CNC, máy tự động hóa và các ứng dụng yêu cầu độ chính xác cao. Khi được lắp đặt đúng kỹ thuật và bảo trì chuẩn, nó cung cấp chuyển động tuyến tính hiệu suất cao, ổn định và đáng tin cậy. Dù bạn đang chế tạo máy mới hay nâng cấp hệ thống, vít me máy tiện dòng Super S luôn là khoản đầu tư xứng đáng.
FAQs
1. Ưu điểm lớn nhất của vitme Super S là gì?
Độ chính xác cao, tốc độ lớn và tải trọng vượt trội so với vitme thường.
2. Có dùng được cho trục đứng không?
Có — độ cứng và preload cao rất phù hợp.
3. Tuổi thọ bao lâu?
Nhiều năm nếu bôi trơn và căn chỉnh đúng.
4. Nên dùng loại mỡ nào?
Mỡ bôi trơn chịu tải cao dành cho vitme bi hoặc hệ thống dầu bôi trơn tự động.
5. Có thể thay thế vitme tiêu chuẩn không?
Có, miễn kích thước và preload tương thích.






Đánh giá
Chưa có đánh giá nào.