HIWIN Slide Rail Block AG là gì?
HIWIN Linear dòng Block AG là một bộ phận dẫn hướng tuyến tính chính xác cao, được thiết kế để mang lại chuyển động ổn định, ma sát thấp, trong khi vẫn duy trì độ cứng và khả năng chịu tải ấn tượng. Dòng ray này được tối ưu cho những máy hoạt động ở tốc độ cao, tải nặng hoặc yêu cầu độ chính xác nghiêm ngặt.
Với hình học tối ưu, độ mượt vượt trội và vật liệu cao cấp, dòng AG mang đến hiệu suất vượt trội so với các loại ray tiêu chuẩn.
Đặc điểm nổi bật của HIWIN Linear Block AG

Dòng AG sở hữu nhiều tính năng vượt trội giúp cải thiện rõ rệt hiệu quả vận hành của hệ thống:
1. Khả năng chịu tải cao
Thiết kế 4 hàng bi tuần hoàn cho phép block AG chịu tải hướng tâm, tải dọc trục và mô-men lực cùng lúc. Nhờ đó, hệ thống có thể hoạt động ổn định ngay cả khi chịu lực phức tạp hoặc tải trọng lớn trong thời gian dài.
2. Chuyển động cực kỳ êm ái
Đường dẫn bi và bề mặt ray được mài chính xác giúp giảm ma sát trong quá trình trượt, từ đó mang lại chuyển động mượt, đều và chính xác hơn. Điều này đặc biệt quan trọng đối với các ứng dụng gia công tinh và hệ thống đo lường.
3. Chống ăn mòn
HIWIN cung cấp tùy chọn phủ Niken hoặc sử dụng vật liệu inox cho block AG, giúp sản phẩm hoạt động bền bỉ trong môi trường ẩm, môi trường có hóa chất nhẹ hoặc khu vực có nguy cơ oxy hóa cao.
4. Thiết kế nhỏ gọn
Mặc dù có khả năng chịu tải cao, block AG vẫn được thiết kế nhỏ gọn, giúp tiết kiệm không gian lắp đặt và phù hợp với các máy có kết cấu hạn chế về kích thước.
5. Tuổi thọ dài
Hệ thống bôi trơn được tối ưu giúp giảm mài mòn giữa bi và rãnh trượt, kéo dài thời gian vận hành và giảm tần suất bảo trì so với các dòng ray thông thường.
Vì sao nên chọn dòng HIWIN Slide Rai AG?
So với các dòng ray HIWIN khác, HIWIN Slide Rail AG mang lại hiệu suất vượt trội trong những ứng dụng đòi hỏi độ chính xác cao nhưng vẫn cần kích thước nhỏ gọn.
Độ chính xác vượt trội
Thiết kế rãnh bi dạng Gothic giúp duy trì độ tiếp xúc ổn định, giảm rung lắc và đảm bảo độ chính xác vị trí ngay cả khi hoạt động dưới tải lớn hoặc khi đảo chiều liên tục.
Độ cứng xuất sắc
Kết cấu thân block và ray có độ cứng cao giúp hạn chế biến dạng khi chịu lực, phù hợp với những hệ thống đòi hỏi định vị chính xác và ổn định lâu dài.
Độ ồn thấp
Chuyển động trơn tru giúp giảm tiếng ồn trong quá trình vận hành, rất lý tưởng cho các thiết bị y tế, ngành bán dẫn và phòng thí nghiệm.
Ít bảo trì
Khoảng thời gian giữa các lần bôi trơn dài hơn giúp giảm thời gian dừng máy và chi phí bảo dưỡng trong quá trình sử dụng.
HIWIN Slide Rai AG giúp tăng hiệu suất máy như thế nào?

Ray trượt ảnh hưởng trực tiếp đến độ chính xác và năng suất của máy. Dòng AG giúp:
- Giảm ma sát → chuyển động mượt hơn và ổn định hơn.
- Giảm nhiệt sinh ra trong quá trình trượt → tiết kiệm năng lượng và hạn chế biến dạng nhiệt.
- Ổn định chuyển động trong thời gian dài → giảm sai lệch vị trí theo thời gian.
- Hỗ trợ tốc độ cao mà vẫn đảm bảo độ chính xác → phù hợp cho máy gia công tốc độ cao.
- Tăng hiệu quả vận hành tổng thể → giúp máy duy trì năng suất ổn định.
Do đó, AG được xem là lựa chọn hàng đầu cho các hệ thống máy móc yêu cầu hiệu suất cao và độ chính xác lâu dài.
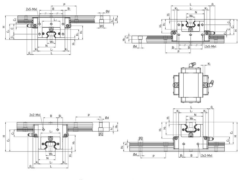
Cấu tạo và thiết kế của HIWIN Slide AG

HIWIN Linear AG được thiết kế với:
- 4 hàng bi tuần hoàn giúp tăng độ cứng và phân bố tải đều trên toàn bộ bề mặt tiếp xúc.
- Nắp chắn bụi kín giúp hạn chế bụi bẩn và tạp chất xâm nhập vào đường bi.
- Góc tiếp xúc tối ưu giúp tăng khả năng chịu lực và giảm biến dạng khi chịu tải.
- Cổng bôi trơn chuyên dụng giúp việc tra mỡ dễ dàng và hiệu quả hơn.
Từng chi tiết đều được gia công chính xác bằng công nghệ CNC hiện đại, đảm bảo chuyển động trơn tru, ổn định và giảm mài mòn trong suốt vòng đời sản phẩm.
Các model phổ biến trong dòng HIWIN Slide AG
HIWIN cung cấp nhiều kích thước khác nhau để phù hợp với từng quy mô máy:
- AG15 – phù hợp cho các ứng dụng nhỏ gọn, máy CNC mini hoặc thiết bị đo chính xác.
- AG20 – linh hoạt, đa dụng cho nhiều loại máy tự động hóa.
- AG25 & AG30 – dùng cho máy công nghiệp nặng, bàn trượt dài và tải trọng lớn.
Tất cả các model đều giữ chất lượng đồng nhất, đảm bảo khả năng thay thế và tương thích giữa các hệ thống khác nhau.
Xem thêm: HIWIN HG
Ứng dụng của HIWIN Linear Block AG
Dòng AG được sử dụng trong nhiều lĩnh vực như:
- Máy CNC – giúp di chuyển trục chính xác và ổn định.
- Robot công nghiệp – tăng độ chính xác và giảm sai số.
- Thiết bị y tế – đảm bảo độ chính xác trong từng chuyển động nhỏ.
- Ngành bán dẫn – hoạt động bền bỉ trong môi trường sạch.
- Máy đóng gói và in ấn – chuyển động nhanh, ổn định và bền bỉ.
So sánh: HIWIN Linear AG so với các dòng khác của HIWIN
| Tính năng | HIWIN AG | Dòng EG | Dòng HG |
|---|---|---|---|
| Khả năng chịu tải | Cao | Trung bình | Cao |
| Độ cứng vững | Xuất sắc | Tốt | Xuất sắc |
| Kích thước | Nhỏ gọn | Nhỏ gọn | Lớn hơn |
| Độ mượt chuyển động | Rất cao | Tốt | Rất tốt |
| Bảo trì | Ít | Trung bình | Trung bình |
Dòng AG cân bằng hoàn hảo giữa sức mạnh và thiết kế nhỏ gọn, phù hợp với không gian hạn chế nhưng vẫn yêu cầu hiệu suất cao và độ chính xác ổn định trong thời gian dài.
Hướng dẫn lắp đặt và bảo trì HIWIN Slide Rail AG
Để đảm bảo tuổi thọ tối đa:
- Lắp trên bề mặt phẳng, căn chỉnh chính xác.
- Không siết quá chặt bu-lông cố định.
- Dùng loại dầu mỡ bôi trơn HIWIN khuyến nghị.
- Kiểm tra định kỳ tình trạng ray và khối trượt.
- Vệ sinh sạch ray trước khi lắp lại.
Ưu điểm khi dùng Block AG trong tự động hóa
- Hiệu suất cao: Giảm ma sát, tiết kiệm năng lượng.
- Giảm thời gian bảo dưỡng: Tăng thời gian hoạt động liên tục.
- Thiết kế nhỏ gọn: Tối ưu không gian máy.
- Độ chính xác tuyệt vời: Phù hợp cho các ứng dụng tốc độ cao.
Bảo trì để tăng tuổi thọ của AG
Các lưu ý quan trọng:
- Bôi trơn 6 tháng một lần
- Kiểm tra bụi và tình trạng phớt
- Làm sạch ray định kỳ
- Thay phớt nếu khối trượt chạy nặng
- Chỉ dùng mỡ/dầu HIWIN
Độ bền và chất lượng vật liệu Block AG
Ray và block được làm từ thép hợp kim tôi cứng:
- Chống mài mòn tốt.
- Độ cứng cao, chịu tải ổn định.
- Khả năng chống ăn mòn tốt.
- Ổn định kích thước khi làm việc lâu dài.
Mỗi sản phẩm đều được kiểm tra nghiêm ngặt về độ chính xác hình học và độ nhám bề mặt trước khi xuất xưởng.
Tiêu Chuẩn Kỹ Thuật Của HIWIN Linear Block AG
Trong các hệ thống dẫn hướng tuyến tính, thông số kỹ thuật quyết định trực tiếp đến độ ổn định và tuổi thọ vận hành. HIWIN linear dòng block AG được sản xuất theo tiêu chuẩn chính xác cao, đảm bảo sai số hình học và độ nhám bề mặt luôn nằm trong giới hạn cho phép.
Những yếu tố kỹ thuật quan trọng của slide rail AG gồm:
- Độ thẳng và độ song song của rail HIWIN được kiểm soát nghiêm ngặt.
- Bề mặt tiếp xúc giữa bi và rãnh trượt được mài chính xác giúp giảm ma sát.
- Kết cấu thân block AG có độ cứng cao, hạn chế biến dạng khi làm việc lâu dài.
Nhờ đó, HIWIN slide dòng AG duy trì được chuyển động ổn định trong các ứng dụng đòi hỏi độ chính xác cao.
Block AG Với Khả Năng Chịu Tải Đa Hướng
Trong thực tế, tải trọng tác động lên ray trượt không chỉ theo một phương mà thường xuất hiện đồng thời tải đứng, tải ngang và mô-men xoắn. Block AG được thiết kế để chịu tải đồng đều theo nhiều hướng khác nhau nhờ cấu trúc 4 hàng bi.
Ưu điểm nổi bật về khả năng chịu tải:
- Phân bố lực đều trên toàn bộ bề mặt tiếp xúc.
- Giảm áp lực cục bộ lên từng viên bi.
- Hạn chế mài mòn không đều trên slide rail.
Với thiết kế này, HIWIN linear AG phù hợp cho các cơ cấu trượt thường xuyên đổi hướng lực như bàn trượt CNC, robot gắp đặt hoặc trục đứng.
HIWIN Slide AG Với Độ Chính Xác Và Độ Lặp Lại Cao
Độ chính xác và khả năng lặp lại là hai tiêu chí quan trọng trong các hệ thống gia công và tự động hóa. HIWIN slide AG được thiết kế để duy trì sai số nhỏ ngay cả khi hoạt động liên tục trong thời gian dài.
Những yếu tố giúp đảm bảo độ chính xác gồm:
- Độ rơ thấp nhờ khe hở lắp ghép được kiểm soát chặt chẽ.
- Rãnh bi dạng Gothic giúp tiếp xúc ổn định.
- Cấu trúc rail HIWIN cứng vững hạn chế rung lắc khi tăng tốc hoặc đảo chiều.
Nhờ vậy, block AG đáp ứng tốt các yêu cầu về định vị chính xác trong máy CNC, máy khắc laser và thiết bị đo lường.
Khả Năng Tương Thích Và Thay Thế Của Rail HIWIN AG Trong Hệ Thống
Một ưu điểm thực tế của HIWIN linear dòng block AG là khả năng tương thích cao với các kết cấu máy tiêu chuẩn. Kích thước lắp đặt được thiết kế đồng bộ giúp HIWIN slide có thể thay thế cho nhiều dòng ray khác mà không cần chỉnh sửa lớn khung máy.
Lợi ích khi thay thế bằng rail HIWIN AG:
- Giữ nguyên kết cấu cơ khí hiện có.
- Nâng cao độ cứng và độ ổn định tổng thể.
- Giảm thời gian dừng máy khi nâng cấp hệ thống.
Điều này giúp doanh nghiệp cải thiện hiệu suất mà không phát sinh chi phí cải tạo lớn.
Môi Trường Làm Việc Thích Hợp Cho Slide Rail AG
Để slide rail AG phát huy tối đa hiệu quả, điều kiện làm việc cần được kiểm soát phù hợp với đặc tính kỹ thuật của sản phẩm.
Những yếu tố nên chú ý gồm:
- Môi trường ít bụi hoặc có phớt chắn bụi phù hợp.
- Độ ẩm và nhiệt độ nằm trong giới hạn cho phép của HIWIN linear.
- Được bôi trơn định kỳ bằng loại mỡ chuyên dụng cho HIWIN slide.
Trong môi trường nhiều phoi cắt hoặc bụi mịn, nên kết hợp thêm tấm che ray để bảo vệ block AG khỏi tạp chất xâm nhập.
Tối Ưu Hiệu Suất Hoạt Động Dòng Block AG
Để khai thác hết khả năng của block AG, cần kết hợp đúng loại ray, đúng tải trọng và lắp đặt chính xác ngay từ đầu.
Các yếu tố giúp tối ưu hiệu suất:
- Chọn đúng model rail HIWIN theo tải trọng thực tế.
- Căn chỉnh ray song song và bề mặt lắp đặt phẳng.
- Thiết lập chu kỳ bôi trơn phù hợp với tốc độ vận hành.
Khi được lắp đặt và sử dụng đúng kỹ thuật, HIWIN linear AG giúp giảm ma sát, giảm sinh nhiệt và duy trì độ chính xác lâu dài cho toàn bộ hệ thống.
Khả năng chống môi trường khắc nghiệt của HIWIN Slide Rail AG
Dòng slide rail AG được thiết kế để duy trì độ chính xác và độ bền ngay cả khi làm việc trong điều kiện môi trường không thuận lợi. Nhờ vật liệu chất lượng cao và cấu trúc kín, dòng AG có thể hoạt động ổn định trong:
Môi trường bụi:
Block AG được trang bị phớt chắn bụi nhiều lớp giúp hạn chế bụi mịn và mạt kim loại xâm nhập vào rãnh bi. Điều này giúp giảm hiện tượng mài mòn sớm và duy trì chuyển động mượt trong thời gian dài, đặc biệt trong các máy CNC hoặc máy cắt kim loại.
Môi trường ẩm:
Với tùy chọn phủ Niken hoặc xử lý bề mặt chống gỉ, HIWIN Slide Rail AG có thể hoạt động tốt trong môi trường độ ẩm cao mà không làm giảm độ chính xác. Đây là yếu tố quan trọng đối với các hệ thống đặt tại nhà xưởng không có điều hòa hoặc khu vực ven biển.
Tiếp xúc hóa chất:
Trong các môi trường có dầu, dung môi nhẹ hoặc hóa chất công nghiệp, lớp bảo vệ bề mặt của ray AG giúp hạn chế phản ứng oxy hóa và ăn mòn kim loại, từ đó kéo dài tuổi thọ sử dụng.
Phòng sạch (phiên bản inox):
Phiên bản AG bằng inox hoặc loại chuyên dụng cho phòng sạch giúp giảm phát sinh hạt bụi trong quá trình trượt, đáp ứng yêu cầu nghiêm ngặt của ngành bán dẫn, thiết bị y tế và phòng thí nghiệm.
Nhờ khả năng thích nghi tốt với nhiều điều kiện khác nhau, HIWIN Slide Rail AG phù hợp cho cả môi trường sản xuất thông thường lẫn môi trường kỹ thuật cao.
Cách chọn khối trượt HIWIN Slide Rail AG phù hợp
Để lựa chọn đúng model, người dùng cần đánh giá kỹ các yếu tố kỹ thuật sau:
Hướng và cường độ tải:
Cần xác định tải trọng tác động theo phương thẳng đứng, phương ngang hay mô-men xoắn. Điều này giúp chọn được kích thước block và số lượng block phù hợp nhằm đảm bảo độ bền và độ cứng vững.
Tốc độ vận hành:
Với các hệ thống yêu cầu di chuyển nhanh và liên tục, nên chọn model AG có khả năng chịu tốc độ cao và khả năng bôi trơn tốt để hạn chế sinh nhiệt và mài mòn.
Môi trường làm việc:
Nếu hệ thống đặt trong môi trường bụi, ẩm hoặc có hóa chất, nên chọn loại có phớt chắn bụi tăng cường hoặc phiên bản inox để nâng cao tuổi thọ.
Kiểu lắp đặt:
Tùy thuộc vào kết cấu máy (lắp ngang, lắp đứng hay lắp ngược), cần lựa chọn ray và block phù hợp để tránh phân bố tải không đều.
HIWIN cung cấp bảng thông số chi tiết về tải trọng động, tải trọng tĩnh, độ cứng và tuổi thọ tính toán. Việc đối chiếu các thông số này giúp người dùng lựa chọn chính xác model phù hợp với yêu cầu kỹ thuật thực tế, tránh tình trạng chọn dư tải hoặc thiếu tải.
Tính kinh tế của HIWIN Slide Rail AG
Mặc dù thuộc dòng cao cấp, slide rail AG mang lại lợi ích kinh tế rõ rệt trong quá trình sử dụng lâu dài:
Tuổi thọ cao → giảm chi phí thay thế:
Nhờ vật liệu tôi cứng và hệ thống bôi trơn tối ưu, block AG có thời gian vận hành dài hơn so với nhiều dòng ray phổ thông.
Ít bảo trì → giảm downtime:
Khoảng thời gian giữa các lần bảo dưỡng dài hơn giúp giảm số lần dừng máy, từ đó tăng hiệu suất sản xuất.
Hiệu suất cao → tăng năng suất:
Chuyển động mượt và ổn định giúp hệ thống hoạt động chính xác hơn, giảm lỗi sản phẩm và nâng cao năng suất tổng thể.
Xét về vòng đời sản phẩm, chi phí đầu tư ban đầu của HIWIN Slide Rail AG được bù lại bằng sự ổn định, độ bền và hiệu quả vận hành lâu dài.
Kết luận
HIWIN Linear dòng Block AG không chỉ là một linh kiện, mà còn là trái tim của hệ thống chuyển động tuyến tính chính xác. Với khả năng chịu tải cao, hoạt động êm ái và tuổi thọ vượt trội, dòng AG trở thành lựa chọn đáng tin cậy cho các kỹ sư trong ngành tự động hóa, robot và CNC.
Sự kết hợp giữa độ chính xác, khả năng thích nghi môi trường và tính kinh tế giúp HIWIN Slide dòng Block AG đáp ứng tốt cả yêu cầu kỹ thuật lẫn bài toán chi phí trong các dự án công nghiệp hiện đại.
Câu hỏi thường gặp (FAQs)
- Dòng slide rail AG khác gì so với các dòng khác của HIWIN?
Dòng slide rail AG có độ mượt và độ cứng cao hơn, thích hợp cho không gian nhỏ nhưng yêu cầu tải nặng. - Có thể dùng Dòng slide rail AG trong môi trường sạch không?
Có, dòng inox chuyên dụng phù hợp cho phòng sạch và thiết bị y tế. - Bao lâu cần bôi trơn lại ray trượt Dòng AG?
Thông thường 6 tháng/lần, tùy vào tần suất hoạt động. - Dòng AG có tương thích với ray cũ không?
Có, sản phẩm tương thích với hầu hết các ray HIWIN tiêu chuẩn. - Mua khối trượt Dòng AG chính hãng ở đâu?
Nên mua tại đại lý ủy quyền HIWIN hoặc website chính thức của hãng.






Đánh giá
Chưa có đánh giá nào.